ČeskyCZ | SlovenskySK | EnglishEN | DeutschDE
Your basket
0 EUR
EUR
Austria
E-shop currency:
Select delivery country:

PERFORMANCE CALCULATOR FOR THE SELECTED SPACE

Enclosed area
m3
or
Room area
m2
Ceiling height
m


Required performance for a calculated room:
0 kW

DETAILED FILTER - STOVE

 
 
 
 

POWER TO WATER

POWER TO AIR

 
 
 
 

CLADDING OF FIREPLACE STOVES

 
 
 
 
 
 

TYPE OF STONE FACING

 
 
 
 
 

FUEL

 
 
 
 

MATERIAL

 
 
 

SHAPE

 
 
 

AVERAGE OF SMOKE FLUE

 
 
 
 
 
 
 
 

SMOKE FLUE CONNECTION

 
 
 

DIMENSION

width
height
depth

PRICE

ADDITIONAL REQUIREMENTS

 
 
 

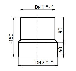
Karl redukce kouřovodů po kouři 180mm / 160mm (síla 2mm) - nerez

Technický nákres  
Manufacturer: Karl
Cat. no.: K400593
Availability:
IN STOCK
Price:
119 EUR
inc. VAT 21%


  pcs  
Transportation prices:
DPD - POST AG - large:  21 EUR